Электрические схемы пассажирских лифтов
Электрические схемы лифтов включают в себя все электроаппараты,
электрические машины и блокировочные контакты, относящиеся к данному
лифту, установленные в машинных, блочных помещениях и шахтах лифтов.
Перечисленное электрическое оборудование предназначено для осуществления
дистанционного автоматического управления лифтовыми приводами и
обеспечения безаварийной и безопасной эксплуатации лифтов
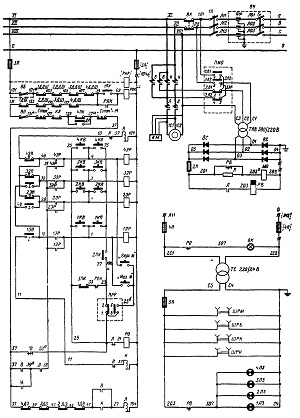
Лифт модели ЭМИЗ - электросхема
(рис. 82, обозначения на первых двух
электросхемах даны по старому ГОСТ).
Реле контроля пола РПК исключает возможность пуска кабины в ход от
внешних вызовов при уходе находящегося в ней пассажира с пола при
открытых створках двери кабины. При наличии РПК такой пуск кабины в ход
исключается, так как под тяжестью вошедшего в кабину пассажира пол
опускается, воздействует на шток подпольного блок-контакта 1ПК (59—69),
который замыкает цепь катушки РПК. При закрытых дверях
шахты оно получает питание, его якорь притягивается к ярму, размыкается его р-контакт (33—23) в цепи общей шины кнопок вызова. Одновременно контакт 1ПК шунтируется (выводится из действия) замкнувшимся з-контактом РНК (59—69). Теперь, если пассажир и сойдет с пола (подпольный контакт 1ПК разомкнется), питание РПК продолжает осуществляйся через замкнутые контакты ДДШ (контакты контроля притвора дверей шахты) и РПК. Для того, чтобы снять напряжение с катушки этого реле, необходимо открыть дверь шахты, что сделать ушедшему с пола пассажиру не так просто.

Рис 82 Электрическая схема лифта модели ЭМИЗ
3-контакт РПК (23—77) включен в цепь общей шины
кнопок приказа. Этот контакт исключает возможность пуска кабины в ход от
кнопок приказа в случае, если катушка РПК вышла из строя или пассажир
ушел с пола.
Этажные реле ЭР регистрируют приказы или вызовы. Выполняют роль кнопок
приказа или вызова после их отпускания. Их з-контакты 1ЭР (1—10), 2ЭР
(2—20) и т. д. включены непосредственно в цепи соответствующих им
этажных переключателей и сложат для подготовки цепей питания катушек
контакторов направления.
Вторые контакты этих реле 1ЭР (1—39), 2ЭР (2—39) и т. д. служат для
образования поддерживающей цепи, позволяющей продолжать питание катушек
этажных реле и контакторов направления после отпускания кнопок приказа
или вызова.
Контакторы направления В и Н служат для реверсивного включения
асинхронного электродвигателя. С помощью этих контакторов автоматически
чередуются фазы, что дает возможность вращать ротор электродвигателя в
одном и другом направлениях. Для этого силовые контакты обоих
контакторов включены в цепь статорной обмотки электродвигателя. Эти
контакюры снабжены также з-контактами В и Н (37—39а), образующими цепь
поддержания катушек эгажных реле и контакторов после отпускания кнопок
приказа или вызова. 3-контакты контакторов В и Н (47—27), включенные в
цепь контактов контроля автоматических замков ДЗ, введены в электросхему
для того, чтобы разомкнуть цепь контактора Л (линейный контактор) и
снять напряжение со статорной обмотки элрктродвигателя в случае, если
электромеханик остановит движущуюся кабину отпиранием двери шахты,
находясь на крыше кабины. При воздействии на рычаг автоматического замка
в сторону отпирания двери шахты ДЗ контакт этажа, мимо которого проходит
кабина, размыкается, теряет питание катушка линейного контактора Л,
контактор отпускает якорь, размыкается его з-контакт Л (39а—39) и цепь
питания катушек контакторов В и Н, а также ЭР размыкаются. Размыкаются
силовые контакты контактора В (Н) и Л в цепи статорной обмотки
электродвигателя, он теряет питание, накладывается тормоз и кабина
останавливается.
Линейный контактор Л контролирует действие автоматических замков дверей
шахты. При незапертой какой-либо двери шахты контакт ДЗ автоматического
замка этого этажа не замкнут и катушка линейного контактора не получает
питание, его з-контакты в цепи статорной обмотки электродвигателя
разомкнуты. Линейный контактор имеет з-контакты (201—203) в цепи катушки
РВ (электромагнитное реле времени). Этот контакт замыкает цепь питания
этой катушки после начала движения кабины, тем самым отключает общие
шины кнопок приказа 75 и вызова 25. Линейный контактор снабжен также
р-контактом (25—21), включенным в цепь РО (реле освещения и
сигнализации). Этот контакт обеспечивает движение порожней кабины по
вызову со светом, так как при движении кабины этот контакт разомкнут,
катушка РО не получает питание, его p-контакты 2С1—507, 2СЗ—307 в цепях
ламп освещения кабины и сигнальных ламп замкнуты, отсутствует
возможность включить РО нажатием кнопки вызова.
Реле освещения РО служит для автоматизации включения электроламп
освещения кабины и в вызывных аппаратах в следующих случаях: при
открытой двери шахты какого-либо этажа; при закрытых дверях шахты и при
нахождении в кабине пассажиров; при закрытых дверях шахты и движущейся
порожней кабине; при закрытых дверях шахты и при отсутствии в ней
пассажиров в случае размыкания любого контакта цепи 101-37. Для этого
катушка РО включена в цепь р-контактов РВ, Л и блок-контактов дверей
шахты ДШ и ДДШ, Размыкание одного из них приведет к снятию напряжения с
РО и замыканию его p-контактов 2С1-507 в цепи ламп освещения кабины и
2C3-307 в цепи сигнальных ламп в вызывных аппаратах.
Содержание
- 1. Ермишкин В. Г. Техническое обслуживание лифтов онлайн
- 2. МАШИННЫЕ, БЛОЧНЫЕ ПОМЕЩЕНИЯ И ШАХТЫ ЛИФТОВ
- 3. Техническое обслуживание лифтовых машинных, блочных помещений и шахт
- 4. Распашные двери шахты лифтов
- 5. Автоматические и неавтоматические замками лифтов
- 6. Автоматические и неавтоматические замками лифтов
- 7. Электромагнитная отводка лифта
- 8. Раздвижные двери шахты лифта
- 9. Раздвижные двери шахты лифта
- 10. Распашные двери кабины и блок-контакты притвора створок лифта
- 11. Раздвижные двери кабины и блок-контакты контроля притвора створок
- 12.
- 13. Автоматический привод дверей лифтов
- 14. Автоматический привод дверей лифтов
- 15. Автоматический привод дверей лифтов
- 16. Техническое обслуживание лифтов
- 17. Техническое обслуживание лифтов
- 18. Техническое обслуживание лифтов
- 19. Лифты с раздвижными дверями и автоматическим приводом
- 20. Лифты с раздвижными дверями и автоматическим приводом
- 21. Лифты с раздвижными дверями и автоматическим приводом
- 22. Замена автоматических и неавтоматических замков дверей шахты лифтов сраспашными дверями
- 23. Замена автоматических и неавтоматических замков дверей шахты лифтов сраздвижными дверями
- 24. Технический осмотр распашных дверей кабины лифта
- 25. Технический осмотр раздвижных дверей кабины лифта
- 26. Технический осмотр узлов привода дверей лифта
- 27. Технический осмотр узлов привода дверей лифта
- 28. Замена электродвигателя лифта
- 29. Лифтовые редукторы
- 30. Лифтовые редукторы
- 31. Лифтовые редукторы
- 32. Лифтовые редукторы
- 33. Лифтовые канатоведущие шкивы
- 34. Лифтовые канатоведущие шкивы
- 35. Технический осмотр редуктора и канатоведущего шкива лифта
- 36. Технический осмотр редуктора и канатоведущего шкива лифта
- 37. ТОРМОЗНЫЕ УСТРОЙСТВА ЛИФТОВ
- 38. Тормозные электромагниты лифтов
- 39. Тормозные электромагниты лифтов
- 40. Тормозные электромагниты лифтов
- 41. Лифтовые тормоза
- 42. Технический осмотр и регулировка лифтового тормозного устройства сдлинноходовым тормозным электромагнитом КМТД-102
- 43. Ремонт лифтового тормоза тормозного устройства с длинноходовымэлектромагнитом КМТД-102
- 44. Особенности эксплуатации лифтовых тормозных устройств завода ЭМ ИЗ
- 45. Особенности эксплуатации лифтовых тормозных устройств с короткоходовымитормозными электромагнитами МП-201
- 46. ЛИФТОВЫЕ КАНАТЫ
- 47. ЛИФТОВЫЕ КАНАТЫ
- 48. ЛИФТОВЫЕ КАНАТЫ
- 49. ЛИФТОВЫЕ КАНАТЫ
- 50. Лифтовые подвески
- 51. Лифтовые подвески
- 52. Лифтовые подвески
- 53. Техническое обслуживание лифтовых канатов и подвесок
- 54. Технический осмотр лифтовых тяговых канатов
- 55. Технический осмотр лифтовых тяговых канатов
- 56. Технический осмотр лифтовых тяговых канатов
- 57. Технический осмотр лифтовых тяговых канатов
- 58. Технический осмотр лифтовых тяговых канатов
- 59. Замена лифтовых тяговых канатов при верхнем расположении машинногопомещения
- 60. Замена лифтовых тяговых канатов при верхнем расположении машинногопомещения
- 61. Лифтовые кабины
- 62. Лифтовые кабины
- 63. Лифтовые кабины
- 64. Подвижный пол кабины лифта
- 65. Противовес лифта
- 66. Направляющие для кабины лифта
- 67. Направляющие для кабины лифта
- 68. Технический осмотр кабины и противовеса, направляющих кабины ипротивовеса лифта
- 69. Технический осмотр купе и каркас кабины лифта
- 70. Технический осмотр противовеса лифта
- 71. Технический осмотр направляющих кабины и противовеса лифта
- 72. Технический осмотр и регулировка башмаков кабин лифтов моделей ЭМИЗ иКМЗ-1958
- 73. Технический осмотр и регулировка башмаков противовеса лифта модели ЭМИЗ
- 74. Технический осмотр и регулировка башмаков кабины и противовеса лифтов сраздвижными дверями
- 75. ЛИФТОВЫЕ ОГРАНИЧИТЕЛИ СКОРОСТИ
- 76. ЛИФТОВЫЕ ОГРАНИЧИТЕЛИ СКОРОСТИ
- 77. Ловители лифта
- 78. Клиновые ловители лифта
- 79. Технический осмотр и регулировка лифтовых ловителей
- 80. Технический осмотр и регулировка ограничителей скорости лифта
- 81. Замена ограничителей скорости лифта
- 82. Замена клиньев ловителей, разборка комбинированных ловителей лифтов
- 83. ВВОДНЫЕ РУБИЛЬНИКИ ЛИФТОВ
- 84. Технический осмотр вводного рубильника лифта
- 85. Трансформаторы лифтов
- 86. Трансформаторы лифтов
- 87. Реле и контакторы лифтов
- 88. Электромагнитные реле времени на лифтах
- 89. Емкостное реле времени на лифтах
- 90. Характеристика контактных групп реле и контакторов на лифтах
- 91. Автоматические выключатели на лифтах
- 92. Выпрямительные устройства на лифтах
- 93. Лифтовая двухполупериодная электросхема выпрямления переменного тока впостоянный
- 94. Лифт модели ЭМИЗ - электросхема
- 95. Лифт модели ЭМИЗ - Назначение блокировочных контактов, не имеющихмеханической связи с реле или контакторами
- 96. Лифт модели ЭМИЗ - Последовательность работы элементов электрическойсхемы но вызову кабины
- 97. Лифт модели ЭМИЗ - Работа электросхемы по приказам
- 98. Лифт модели ЭМИЗ -Работа электросхемы лифта по приказам
- 99. Лифт модели КМЗ-1958 - электросхема
- 100. Лифт модели КМЗ-1958 - Характеристика электрической схемы лифта
- 101. Лифт модели КМЗ-1958 - Работа электросхемы по приказам
- 102. Лифт модели КМЗ-1958 - Управление лифтом из машинного помещения
- 103. Лифт модели 1964 г. с неподвижным полом - электросхема
- 104. Лифт модели 1964 г. с неподвижным полом - Характеристика электрическойсхемы
- 105. Лифт с парным управлением с раздвижными дверями модели 1966 г -электросхема
- 106. Лифт с парным управлением с раздвижными дверями модели 1966 г -Назначение электроаппаратов и их контактов
- 107. Характеристика электрической схемы пассажирских лифтов со скоростьюдвижения кабины 1 м/с с парным управлением
- 108. Панели управления наиболее распространенных лифтов
- 109. Технический осмотр и регулировка электроаппаратов, установленных намагнитной станции лифта
- 110. Технический осмотр и регулировка реле типа МКУ-48 и ПЭ-6 на лифтах
- 111. Технический осмотр и регулировка реле типа РП-23 на лифтах
- 112. Технический осмотр и регулировка лифтовых электромагнитные реле времени
- 113. Технический осмотр и регулировка лифтовых контакторов КТП В-621
- 114. Технический осмотр и регулировка лифтовых контакторов ПА-421
- 115. Технический осмотр и регулировка лифтовых контакторов ПА-421
- 116. Технический осмотр электросхемы лифта модели ЭМИЗ
- 117. Технический осмотр электросхемы лифтов модели КМЗ-1958
- 118. Технический осмотр электросхемы лифтов модели 1966 г. с раздвижнымидверями
- 119. Замена электроаппаратов лифтов
- 120. АСИНХРОННЫЕ ЭЛЕКТРОДВИГАТЕЛИ ЛИФТОВ
- 121. Соединения обмоток асинхронных электродвигателей лифтов
- 122. Соединения обмоток лифтовых электродвигателей с фазовым икороткозамкнутым роторами
- 123. Технический осмотр асинхронного электродвигателя лифта
- 124. Замена электродвигателя главного привода лифта
- 125. Замена электродвигателя главного привода лифта
- 126. ЛИФТОВЫЕ ЭТАЖНЫЕ ПЕРЕКЛЮЧАТЕЛИ, ИНДУКТИВНЫЕ И КОНТАКТНЫЕ ДАТЧИКИ СЕЛЕКЦИИИ ДАТЧИКИ ТОЧНОЙ ОСТАНОВКИ
- 127. Лифтовые индуктивные датчики селекции и датчики точной остановки
- 128. Лифтовые контактные датчики типа ДПЭ-101 на герконах
- 129. Технический осмотр лифтовых этажных переключателей
- 130. Технический осмотр лифтовых индуктивных датчиков селекции и точнойостановки, контактные датчики тип ДПЭ
- 131. Замена лифтовых этажных переключателей, индуктивных и контактных датчиковселекции и датчиков точной остановки
- 132. ЛИФТОВЫЕ КОНЕЧНЫЕ ВЫКЛЮЧАТЕЛИ
- 133. Технический осмотр и регулировка лифтовых конечных выключатели рубящеготипа
- 134. Технический осмотр и регулировка лифтовых конечных выключателей ПЭ-1 1
- 135. Технический осмотр и регулировка лифтовых конечных выключателей ВК-200Б
- 136. Замена лифтовых конечных выключателей
- 137. ТЕХНИКА БЕЗОПАСНОСТИ ПРИ ТЕХНИЧЕСКОМ ОБСЛУЖИВАНИИ ЛИФТОВ
- 138. ТЕХНИКА БЕЗОПАСНОСТИ ПРИ ТЕХНИЧЕСКОМ ОБСЛУЖИВАНИИ ЛИФТОВ
- 139. ТЕХНИКА БЕЗОПАСНОСТИ ПРИ ТЕХНИЧЕСКОМ ОБСЛУЖИВАНИИ ЛИФТОВ
- 140. Общие требования при работах на лифте
- 141. Наложение и снятие переносных заземлений на лифте
- 142. Переключение электросхем лифтов
- 143. Работа, выполняемая в машинном и блочном помещениях лифта
- 144. Сварочные работы в машинных помещениях лифтов
- 145. Работа в шахте лифта
- 146. Требования техники безопасности при перемещении кабины лифта по шахте
- 147. Электросварочные работы в шахте лифта
- 148. Работа в шахте лифта в зоне верхнего крайнего рабочего этажа
- 149. Выполнение работ на лифтах с парным управлением грузоподъемностью 320 и500 кгс и скоростью движения кабины 1 м/с
- 150. Работа в приямке и в зоне нижнего крайнего этажа шахты лифта
- 151. Перечень запрещенных методов выполнения работ на лифтах
- 152. СПИСОК ЛИТЕРАТУРЫ (лифты)
- 153. Принципиальная электрическая схема пассажирского лифта грузоподъемностью320 или 500 кг со скоростью 1 м/с для жилых здании
- 154. Принципиальная электрическая схема пассажирского лифта грузоподъемностью500 или 1000 кг со скоростью 1 м/с для административных здании
- 155. Принципиальная электрическая схема пассажирского лифта грузоподъемностью500 или 1000 кг со скоростью 1,5 м/с административных здании (аа)
- 156. Принципиальная электрическая схема трех пассажирских лифтовгрузоподъемностью 500 или 1000 кг со скоростью 1 м/с для административных зданийс групповым управлением

от 910.00 руб./шт.

от 0.00 руб./шт.

от 0.00 руб./шт.

от 1500.00 руб./шт.

от 109.00 руб./шт.

от 167.00 руб./шт.

от 46.00 руб./шт.

от 109.00 руб./шт.

от 1426.00 руб./шт.

от 0.00 руб./шт.

от 334.00 руб./шт.

от 265.00 руб./шт.





